Product Summary
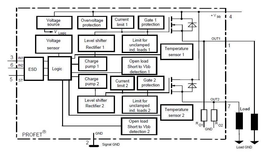
The BTS621L1E3128A is a kind of N channel vertical power FET with charge pump, ground referenced CMOS compatible input and diagnostic feedback, monolithically integrated in Smart SIPMOS technology. It provides embedded protective functions. The typical applications include: (1)μcompatible power switch with diagnostic feedback for 12 V and 24 V DC grounded loads; (2)All types of resistive, inductive and capacitve loads; (3)Replaces electromechanical relays, fuses and discrete circuits.
Parametrics
Absolute maximum ratings: (1)Supply voltage (overvoltage protection), Vbb: 43 V; (2)Supply voltage for full short circuit protection when Tj Start=-40 to +150℃, Vbb: 34 V; (3)Load dump protection when VLoadDump = UA + Vs, UA = 13.5 V, RI= 2 Ω, RL= 2.7 Ω, td= 200 ms, IN= low or high, VLoad dump: 60 V; (4)Load current (Short circuit current), IL: self-limited; (5)Operating temperature range, Tj: -40 to +150℃; (6)Storage temperature range, Tstg: -55 to +150℃; (7)Power dissipation (DC), TC ≤ 25 ℃, Ptot: 75 W; (8)Inductive load switch-off energy dissipation when single pulse Vbb = 12V, Tj,start = 150℃, TC = 150℃ const., EAS: 395 mJ when one channel, IL = 4.4 A, ZL = 32 mH, 0 Ω; 790 mJ when both channels parallel, IL = 8.5 A, ZL = 17 mH, 0 Ω; (9)Electrostatic discharge capability (ESD) (Human Body Model), VESD: 1.0 kV when pin IN and 2.0 kV when all other pins; (10)Input voltage (DC), VIN: -10 to +16 V; (11)Current through input pin (DC), IIN: ±2.0 mA; (12)Current through status pin (DC), IST: ±5.0 mA.
Features
Features: (1)Overload protection; (2)Current limitation; (3)Short circuit protection; (4)Thermal shutdown; (5)Overvoltage protection (including load dump); (6)Fast demagnetization of inductive loads; (7)Reverse battery protection1); (8)Undervoltage and overvoltage shutdown with auto-restart and hysteresis; (9)Open drain diagnostic output; (10)Open load detection in ON-state; (11)CMOS compatible input; (12)Loss of ground and loss of Vbb protection; (13)Electrostatic discharge (ESD) protection.
Diagrams

![]() |
![]() BTS610L1 |
![]() Other |
![]() |
![]() Data Sheet |
![]() Negotiable |
|
||||||||||||||
![]() |
![]() BTS611L1 |
![]() |
![]() SWITCH DUAL CHAN PWR TO-220AB7 |
![]() Data Sheet |
![]() Negotiable |
|
||||||||||||||
![]() |
![]() BTS611L1 E3128A |
![]() Infineon Technologies |
![]() Power Switch ICs - Power Distribution PROFET SMART 2 CH Hi Side Pwr SW |
![]() Data Sheet |
![]()
|
|
||||||||||||||
![]() |
![]() BTS611L1E3230 |
![]() |
![]() SWITCH DUAL CHAN PWR TO-220AB7 |
![]() Data Sheet |
![]() Negotiable |
|
||||||||||||||
![]() |
![]() BTS6123B |
![]() |
![]() IC HIGH SIDE PWR SWITCH TO220-7 |
![]() Data Sheet |
![]() Negotiable |
|
||||||||||||||
![]() |
![]() BTS6123P |
![]() |
![]() IC HIGH SIDE PWR SWITCH TO220-7 |
![]() Data Sheet |
![]() Negotiable |
|
||||||||||||||
(China (Mainland))










